優勢特點:臺灣TBI高防塵絲桿DFIR255T,直徑為25mm,導程為5.08mm,螺母對稱安裝孔的距離為39mm.滾珠絲杠自潤式滾珠絲杠滾珠絲杠設置于任意方向均能正常潤滑,無安裝方向限制。

|
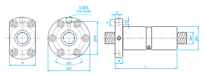
型號 |
軸 徑 d |
導 程 I |
珠 徑 Da |
螺帽尺寸 |
動額定 負荷 Ca |
靜額定 負荷 Coa |
剛性 kgf/ μm |
||||||||||||||||
| D | A | B | L | W | H | X | Y | Z | Q | n | |||||||||||||
| DFI0255T-4 | 25 | 5.08 | 3.175 | 40 | 63 | 11 | 101 | 51 | 46 | 5.5 | 9.5 | 5.5 | M8 | 1x4 | 1724 | 4094 | 62 | ||||||
TBI滾珠絲杠DFIR255T何時需要預壓?預壓對有何優缺點?
1.機器精度要求高,而機器的背隙上限值小的時侯(在配合直線導軌使用可以使機器的反向運動背隙接近于零)。
2.優點: 消除背隙:消除背隙可使機械傳動的精度更為穩定,且機械傳動結構的剛性提高。
缺點:TBI絲桿DFIR255T的預壓必須設定在一合理范圍內,不然會降低機械效率,預壓若過大會產生溫升問題及壽命降低,
TBI滾珠絲杠DFIR255T由螺桿、螺母和滾珠組成,是將回轉運動轉化為直線運動,或將直線運動轉化為回轉運動的理想的產品。TBI絲桿是工具機和精密機械上最常使用的傳動元件,其主要功能是將旋轉運動轉換成線性運動,或將扭矩轉換成軸向反覆作用力,同時兼具高精度、可逆性和高效率的特點。
TBI絲桿DFIR255T,直徑為25mm,導程為5.08mm,螺母對稱安裝孔的距離為39mm.滾珠絲杠自潤式滾珠絲杠滾珠絲杠設置于任意方向均能正常潤滑,無安裝方向限制。
TBI滾珠絲杠DFIR255T由螺桿、螺母和滾珠組成,是將回轉運動轉化為直線運動,或將直線運動轉化為回轉運動的理想的產品。TBI絲桿是工具機和精密機械上最常使用的傳動元件,其主要功能是將旋轉運動轉換成線性運動,或將扭矩轉換成軸向反覆作用力,同時兼具高精度、可逆性和高效率的特點。
TBI絲桿DFIR255T,直徑為25mm,導程為5.08mm,螺母對稱安裝孔的距離為39mm.滾珠絲杠自潤式滾珠絲杠滾珠絲杠設置于任意方向均能正常潤滑,無安裝方向限制。
上一篇:DFIR2505
下一篇:DFIR2510

















