優勢特點:臺灣TBI旋轉式滾珠絲桿花鍵RSSY4040直徑為40mm,螺桿螺母對稱安裝孔的距離為61mm螺桿螺母對稱安裝孔的距離為68mm。TBI花鍵軸是根據其外觀來命名的在軸的外表有縱向的鍵槽,套在軸上的旋轉件也有對應的鍵槽,可保持跟軸同步旋轉。在旋轉的同時,有的還可以在軸上作縱向滑動,如變速箱換檔齒輪等。

| 型號 |
軸 徑 d |
導 程 I |
珠 徑 Da |
珠 圈 數 |
支承軸承 額定負荷 |
螺帽尺寸 |
滾珠螺帽 額定負荷 |
|||||||||||||
|
Ca (kgf) |
Coa (kgf) |
D | A | B | L | C | E | J | K | P | X | W | Y |
Ca (kgf) |
Coa (kgf) |
|||||
|
RSSY (RFSY) 04040 |
40 | 40 | 6.35 | 1.8x2 | 2216 | 6685 |
-0.012 100 -0.034 |
130 |
±0 79.5 -0.035 |
99 | 73 | 16.5 | 10 | 33 | 113 | 9 | 31 | M8 | 4831 |
14062 |

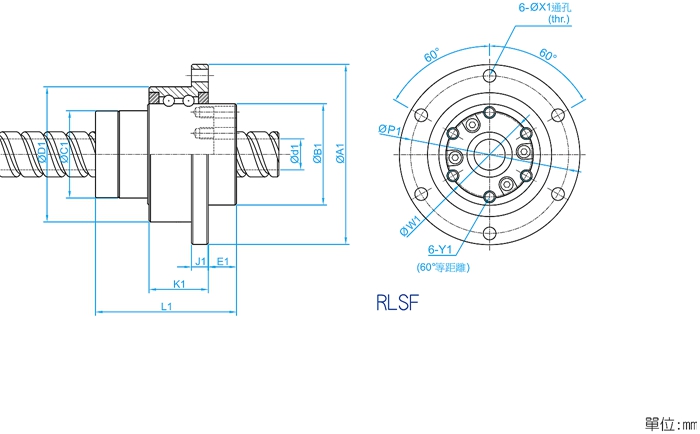
| 型號 |
軸 徑 d |
通孔 直徑 d1 |
滾 珠 列 |
支承軸承 額定負荷 |
花鍵軸承套尺寸 |
滾珠螺帽 額定負荷 |
|||||||||||||
|
Ca (kgf) |
Coa (kgf) |
D | A | B | L | C | E | J | K | P | X | W | Y |
Ca (kgf) |
Coa (kgf) |
||||
|
RSSY (RLSF) 04040 |
40 | 20 | 4 | 2216 | 6685 |
-0.012 100 -0.034 |
130 |
±0 79.5 -0.035 |
100 | 64 | 20 | 10 | 33 | 113 | 9 | 68 | M6 | 2972 |
4033 |
TBI滾珠絲杠RSSY04040檢測與維修
研磨TBI滾珠絲杠RSSY04040所產生故障是多種多樣的,沒有固定的模式。有的故障是漸發性故障,要有一個發展的過程,隨著使用時間的增加越來越嚴重;有時是突發性故障, 一般沒有明顯的征兆,而突然發生,這種故障是各種不利因素及外界共同作用而產生的。所以通過正確的檢測來確定真正的故障原因,是快速準確維修的前提。
1)數控車床滾珠絲杠螺母副及支撐系統間隙的檢測與修理
當數控機床出現反向誤差大、定位精度不穩定、過象限出現刀痕時,首先要檢測絲杠系統有沒有間隙。檢測的方法有:用百分表配合鋼球放在絲杠的一端中心孔 中,測量絲杠的軸向竄動,另一塊百分表測量工作臺移動。正反轉動絲杠,觀察兩塊百分表上反映的數值,根據數值不同的變化確認故障部位。
a)機床絲杠支撐軸承間隙的檢測與修理
如測量機床TBI絲桿的百分表在絲杠正反向轉動時指針沒有擺動,說明絲杠沒有竄動。如百分表指針擺動,說明數控磨床絲杠有竄動現象。該百分表大與小測量值之差就是絲杠 的軸向竄動的距離。這時,我們就要檢查支撐軸承的背帽是否鎖緊、支撐軸承是否已磨損失效、預加負荷軸承墊圈是否合適。如果軸承沒有問題,只要重新配做預加 負荷墊圈就可以了。如果軸承損壞,需要把軸承更換掉,重新配做預加負荷墊圈,再把背帽背緊。數控銑床絲杠軸向竄動大小主要在于支撐軸承預加負荷墊圈的精度。絲杠安 裝精度最理想的狀態是沒正反間隙,支撐軸承還要有0.02mm左右的過盈。
b)精密研磨級TBI絲桿雙螺母副產生間隙的檢測與維修
通過檢測,如果確認故障不是由于TBI絲桿竄動引起的。那就要考慮是否是絲杠螺母副之間產生了間隙,這種情況的檢測方法基本與檢測絲杠竄動相同。用百分表測量與螺母相連的工作臺上,正反向轉動絲杠,檢測出絲杠與螺母之間的大間隙,然后進行調整。
TBI滾珠花鍵RSSY04040軸簡介
TBI滾珠花鍵花鍵軸應用廣泛,如飛機、汽車、拖拉機、機床制造業、農業機械及一般機械傳動裝置等。
TBI花鍵軸RSSY04040特點:多齒工作,承載能力高,對中性好,導向性好,齒根較淺,應力集中小,軸與轂強度削弱小,加工方便,能用磨削方法獲得較高的精度。標準中有兩個系列(輕系列和中系列)。
由于TBI花鍵軸多齒工作,所以承載能力高,對中性、導向性不錯,而其齒根較淺的特點可以使其應力集中小。另外TBI花鍵軸的軸與轂強度削弱小,加工比較方便,用磨削方法可以獲得較高的精度。漸開線花鍵軸用于載荷較大,定心精度要求高,以及尺寸較大的鏈接。其特點:齒廓為漸開線,受載時齒上有徑向力,能起自動定心作用。
臺灣TBI旋轉式滾珠絲桿花鍵RSSY04040,直徑為40mm,螺桿螺母對稱安裝孔的距離為61mm,螺桿螺母對稱安裝孔的距離為68mm。TBI花鍵軸是根據其外觀來命名的,在軸的外表有縱向的鍵槽,套在軸上的旋轉件也有對應的鍵槽,可保持跟軸同步旋轉。在旋轉的同時,有的還可以在軸上作縱向滑動,如變速箱換檔齒輪等。
上一篇:RSSY03232
下一篇:沒有了















