優勢特點:TBI高速靜音型滾珠絲杠RFBY1616-3.6可以替代普通絲杠,普通絲杠不可以替代滾珠絲杠。可預測的長壽命,高導程精度,高效率及可逆性,零背隙及高剛性,超靜音,短交期,低起動扭矩及高順暢。
tbi冷扎滾珠絲桿加工工藝流程:
(1)、下料(通常絲桿為整支3米或是6米,根據客戶實際需求進行裁切)
(2)、校直(專業的校直機針對絲桿進行校直,以達到絲桿直線度,避免絲桿裝機后跳動)
(3)、球化熱處理(采用高頻淬火機進行絲桿軸端位退淬火熱處理作業)
(4)、粗車外圓(一般采購車床進行絲桿軸端外圓加工)
(5)、精車(精車螺紋、鍵槽、卡簧槽等)
(6)、校直(裝配前校直)
(7)品質管控作業(核對圖紙加工尺寸)
(8)、tbi螺桿螺母裝配(利用套筒的方法進行螺母絲桿的裝配工作)
(9)、調試預壓(專業裝配師傅進行預壓檢測)
(10)、在螺母及絲桿上注入潤滑油/潤滑脂
(11)、包裝發貨(絲桿螺母首先用塑料PE袋裝,然后用紙箱打包,中間用珍珠棉填充)
TBI高速靜音型滾珠絲杠RFBY1616-3.6可以替代普通絲杠,普通絲杠不可以替代滾珠絲杠。可預測的長壽命,高導程精度,高效率及可逆性,零背隙及高剛性,超靜音,短交期,低起動扭矩及高順暢。

精度規格
除了TBI滾珠桿螺桿螺帽對螺桿軸線的半徑方向圓周偏差(D)和法蘭安裝面對螺桿軸線的直角度(C)之外?RFBY型的精度以J1S規格(JISB1192-1997)為基準。

| 導程精度 | z轉造C7 | 轉造C10 | 轉造C7 | 轉造C5 | 轉造C3 | |||||
| 型號 | C | D | C | D | C | D | C | D | C | D |
| RFBY01616 | 0.035 | 0.065 | 0.035 | 0.065 | 0.023 | 0.035 | 0.016 | 0.020 | 0.013 | 0.017 |
| RFBY02020 | 0.035 | 0.065 | 0.035 | 0.065 | 0.023 | 0.035 | 0.016 | 0.020 | 0.013 | 0.017 |
| RFBY02525 | 0.035 | 0.065 | 0.035 | 0.065 | 0.023 | 0.035 | 0.018 | 0.024 | 0.015 | 0.020 |
| RFBY03232 | 0.035 | 0.065 | 0.035 | 0.065 | 0.023 | 0.035 | 0.018 | 0.024 | 0.015 | 0.020 |
| RFBY04040 | 0.046 | 0.086 | 0.046 | 0.086 | 0.026 | 0.046 | 0.021 | 0.033 | 0.018 | 0.026 |
| RFBY05050 | 0.046 | 0.086 | 0.046 | 0.086 | 0.026 | 0.046 | 0.021 | 0.033 | 0.0180 | 0.026 |
注:RFBY與RFE精度規格相同,選擇RFBY精度可按上表參考。
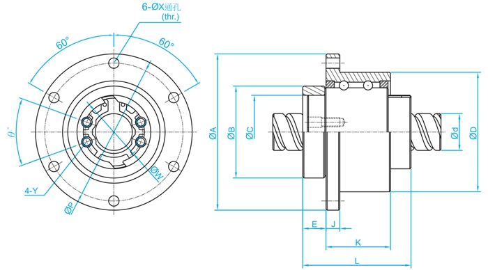
TBI滾珠絲桿的安裝部位之精度?其必要項目如下
(1)相對于螺紋溝面的軸線A?測定螺桿支持部位的半徑方向周偏擺值.
(2)相對于螺桿支持部位的軸線F,測定零件安裝部位的同軸度。
(3)相對于螺桿軸支部位的軸線E,測定支持立的端面的直角度。
(4)相對于螺桿軸線G?測定螺閨的基準面或法的安裝面的直角度。
(5相對于冢桿軸線A,測定螺帽外緣圓周(圓筒型)的同軸度。
(6)相對于螺桿軸線C?測定螺帽外緣(平頭型安裝面)的平行度。
(7)螺桿軸線的半徑方向的總偏擺值.
(7)螺桿軸線的半徑方向的總偏擺值.
在此所述之精度項目是以JISB11911192為基準.


絲桿尺寸表:

















